应用描述
随着人们生活水平的提高,吸尘器正在中国家庭迅速的普及,人们的思想也发生了变化,现在普通家庭对吸尘器的需求也是大大的提高了。
无刷马达、智能控制、传感器及锂电池等技术的不断发展,导致吸尘器应用对MOSFET要求越来越高,功率密度也越来越大。
CRMICRO 提供适合于吸尘器应用的低内阻,小体积DFN系列封装产品,具有较低的 FOM [QG *RDS(on)] 实现了非常低的导通和开关损耗。此外,极低的寄生参数能实现更高的频率和非常高功率密度设计。帮助制造商为吸尘器设计实现优化、高效的解决方案。
产品特色
![]() |
SJ 基于SGT平台开发,FOM值低 | ![]() |
-40V-60V电压段,多规格产品可供选择 | |
![]() |
抗冲击能力强,适用于电机驱动和BMS应用 | ![]() |
DFN等系列封装齐全,满足吸尘器不同外形需求 |
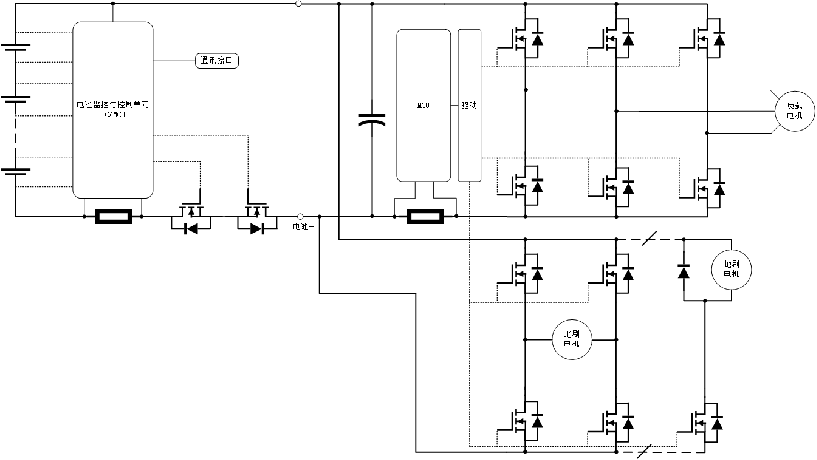
应用原理图
典型应用拓扑图

应用选型推荐
